CAPÍTULO 3. DATOS BÁSICOS PARA EL ESTUDIO DEL TRAZADO

(Formato PDF)

 

3.1 VELOCIDAD.

El trazado de una carretera se definirá en relación con la velocidad a la que se estima que circularán los vehículos en condiciones de comodidad y seguridad.

Para evaluar cómo se distribuyen las velocidades en cada sección, se considerarán fijos los factores que incidan en ella relacionados con la clase de carretera y con la limitación genérica de velocidad asociada a ella, así como las características propias de las secciones próximas.

A efectos de aplicación de la presente Norma, se consideran:

Velocidad específica de una curva circular (Ve):

Velocidad que puede mantener un vehículo a lo largo de una curva circular considerada aisladamente, en condiciones de comodidad y seguridad, cuando encontrándose el pavimento húmedo y los neumáticos en buen estado, las condiciones meteorológicas, del tráfico y legales son tales que no imponen limitaciones a dicha velocidad.

Velocidad de proyecto de un tramo (Vp):

Velocidad para la que se definen las características geométricas del trazado de un tramo de carretera en condiciones de comodidad y seguridad.

Velocidad de recorrido de un tramo (Vr):

Media armónica ponderada de las velocidades de recorrido de subtramos homogéneos, dada por la expresión:

 

Siendo:

Se considerará que un subtramo homogéneo es aquel en el que la velocidad se puede considerar constante.

Velocidad libre (Vl):

Velocidad a la que puede circular un vehículo ligero sin más condicionantes que las características de la carretera y el límite establecido por la regulación legal vigente.

V85:

Velocidad operativa característica de un elemento, representada por el percentil ochenta y cinco (85) de la distribución de velocidades libres temporales de vehículos ligeros observadas en servicio. En fase de proyecto deberá ser estimada.

Para comparar velocidades entre tramos se analizarán las condiciones del trazado en un tramo adyacente de longitud no menor que diez kilómetros (no < 10 km), salvo que se modifique la clase de carretera por alguno de los criterios indicados en el apartado 2.2.

Las velocidades de proyecto y de recorrido que se adopten estarán, en general, definidas en los estudios de carreteras correspondientes, en función de los siguientes factores:

3.2 VISIBILIDAD.

En cualquier punto de la carretera el conductor de un vehículo deberá tener una visibilidad que dependerá de la forma, las dimensiones y la disposición de los elementos del trazado (ver epígrafe 3.2.9).

Para que las distintas maniobras puedan efectuarse en condiciones de comodidad y seguridad, se necesitará una visibilidad mínima que dependerá de la velocidad de los vehículos y del tipo de dichas maniobras.

En la presente Norma se consideran: visibilidad de parada, visibilidad de adelantamiento, visibilidad de decisión y visibilidad de cruce.

El punto de vista del conductor se fija, a efectos del cálculo, a una altura de un metro y diez centímetros (1,10 m) sobre la calzada y a una distancia de un metro y cincuenta centímetros (1,50 m) del borde izquierdo de cada carril, por el interior del mismo y en el sentido de la marcha.

Las visibilidades se calcularán siempre para condiciones óptimas de iluminación.

3.2.1 DISTANCIA DE PARADA.

Se define como distancia de parada (Dp) la distancia total recorrida por un vehículo obligado a detenerse ante un obstáculo inesperado en su trayectoria, medida desde su posición en el momento de aparecer el objeto que motiva la detención. Incluye la distancia recorrida durante los tiempos de percepción, reacción y frenado. Se estimará mediante la expresión:

 

Siendo: =

A efectos de diseño se considerará como distancia de parada, la obtenida a partir del valor de la velocidad de proyecto (Vp) del tramo considerado.

El coeficiente de rozamiento longitudinal (fl) movilizado en una maniobra de frenado para diferentes valores de la velocidad se obtendrá de la Tabla 3.1. Para valores intermedios de dicha velocidad se podrá interpolar linealmente en dicha tabla. El valor del tiempo de percepción y reacción será de dos segundos (2 s).

 

TABLA 3.1. COEFICIENTE DE ROZAMIENTO LONGITUDINAL MOVILIZADO EN UNA MANIOBRA DE FRENADO.

 

Estos valores de los coeficientes de rozamiento longitudinal (fl) proporcionan unas deceleraciones del vehículo cómodas para el usuario que deba detener, de forma controlada, el vehículo ante un obstáculo que se encuentre en su trayectoria.

En la Figura 3.1 se representan los valores de la distancia de parada en función de la velocidad, para distintas inclinaciones de la rasante.

 

FIGURA 3.1. DISTANCIA DE PARADA.

 

3.2.2 VISIBILIDAD DE PARADA.

Se define la visibilidad de parada dentro de un carril como la distancia que existe entre un vehículo y un obstáculo situado en su trayectoria, en el momento en que el conductor puede divisarlo sin que luego desaparezca de su campo visual. La distancia se medirá a lo largo del carril.

Para el cálculo de la visibilidad de parada, se fijará la altura del obstáculo sobre la rasante de la calzada en cincuenta centímetros (50 cm),7 pudiendo situarse en cualquier punto de la sección transversal del carril (sección de obstáculo). En los tramos de carretera donde se considere que puedan existir obstáculos con altura inferior a cincuenta centímetros (< 50 cm) se analizará la conveniencia de fijar otra altura del obstáculo con un valor no inferior a veinte centímetros (no < 20 cm).

7 Valor considerado representativo de obstáculos previsibles.

Se considera que un obstáculo es divisable siempre que pueda trazarse una visual entre el punto de vista del conductor y todos los puntos superiores del obstáculo.

Se podrá considerar que las pilas y estribos de estructuras, los sistemas de contención de vehículos y los elementos de señalización e iluminación de la carretera no suponen un obstáculo intermedio para la visual siempre que, una vez divisada completamente la sección de obstáculo, ésta ha quedado parcialmente oculta por el obstáculo intermedio en no más de un metro ( no > 1,00 m).

La visibilidad de parada deberá ser superior a la distancia de parada calculada con la velocidad de proyecto (Vp) del correspondiente tramo, en cuyo caso se dice que existe visibilidad de parada.

Si en una autopista o autovía se efectúa una ampliación de carriles por la mediana y como consecuencia de ello también disminuye la visibilidad de parada en el carril ampliado respecto a la existente en el resto de los carriles, se podrá mantener la limitación de velocidad anterior a la ampliación en toda la calzada cuando se cumplan simultáneamente las siguientes condiciones:8

8 La normativa de tráfico vigente prohíbe circular a los vehículos pesados por el tercer o cuarto carril de la calzada de una autopista o autovía.

9 Exigiéndose una macrotextura superficial mayor que 1,2 mm calculada de acuerdo con la Norma UNE-EN 13036-1: 2010. Esta norma podrá ser sustituida por otras de las utilizadas en cualquiera de los otros Estados miembros de la Unión Europea, o que sean parte del Acuerdo sobre el Espacio Económico Europeo, y en aquellos Estados que tengan un acuerdo de asociación aduanera con la Unión Europea, siempre que se demuestre que poseen idénticas especificaciones técnicas.

 

Para garantizar la existencia de visibilidad de parada cuando se efectúen ampliaciones por la mediana, en el diseño inicial de una carretera de calzadas separadas se analizarán las consecuencias de futuras ampliaciones con el fin de considerar la posibilidad de proyectar una mediana con un ancho superior al mínimo establecido en el epígrafe 7.3.2.

3.2.3 DISTANCIA DE ADELANTAMIENTO.

A efectos de aplicación de la presente Norma y del cálculo de los tramos con distancia de adelantamiento en carreteras convencionales, se define como distancia de adelantamiento Da, la distancia necesaria para que un vehículo pueda adelantar a otro que circula a menor velocidad, en presencia de un tercero que circula en sentido opuesto. Se medirá a lo largo del eje que separa los dos sentidos de circulación y se obtendrá teniendo en cuenta las siguientes condiciones:

.

Para iniciar la prohibición de adelantar (final de la marca vial discontinua), valores menores que los de la distancia Da1 indicados en la Tabla 3.2.

 

TABLA 3.2.

 

Siendo:

Vp = Velocidad de proyecto del tramo considerado.

Si no existe la distancia mínima requerida Da1 se dispondrá marca vial continua.

.

Para finalizar la prohibición de adelantar (inicio de la marca vial discontinua), los valores de la distancia Da2 indicados en la Tabla 3.3.

 

TABLA 3.3.

 

Siendo:

Vp= Velocidad de proyecto del tramo considerado.

.

Cuando entre dos prohibiciones de adelantamiento quede un tramo de marca vial discontinua de longitud inferior a la indicada en la Tabla 3.3, se unirán ambas prohibiciones, de modo que no se permitirá adelantar en tramos de longitud inferior a la distancia Da2.

 

La utilización de las Tablas 3.2 y 3.3 supone que la velocidad máxima señalizada en el tramo coincide con la velocidad de proyecto (Vp).

3.2.4 VISIBILIDAD DE ADELANTAMIENTO.

En carreteras convencionales se considerará como visibilidad de adelantamiento la distancia disponible, medida a lo largo del eje que separa ambos sentidos de circulación, entre la posición del vehículo que efectúa la maniobra de adelantamiento y la posición del vehículo que circula en sentido opuesto, en el momento en que pueda divisarlo y sin que luego desaparezca de su vista hasta finalizar dicha maniobra.

Para determinar la posición del vehículo que circula en sentido opuesto se admitirá, de forma simplificada, que es visible cuando pueda trazarse una visual sin obstáculo desde el punto de vista del vehículo que efectúa la maniobra de adelantamiento hasta un punto del vehículo que circula en sentido opuesto situado a una altura de un metro y diez centímetros (1,10 m) y a una distancia de un metro y cincuenta centímetros (1,50 m) del eje que separa los dos sentidos de circulación.

Se procurará obtener tramos de la máxima longitud posible en los que la visibilidad de adelantamiento sea mayor que la distancia de adelantamiento Da2.

Para poder garantizar un nivel de servicio determinado en una carretera convencional será necesario conocer, en la hora de proyecto, las intensidades de tráfico en cada sentido con el porcentaje de vehículos pesados y estudiar las posibilidades de adelantamiento. Si no se obtuviesen oportunidades de adelantamiento suficientes para garantizar el citado nivel de servicio será necesario considerar la opción de disponer carriles de adelantamiento (apartado 8.7).

La señalización de prohibición de adelantamiento se hará de acuerdo con la Norma 8.2-IC “Marcas viales”.

3.2.5 DISTANCIA DE DECISIÓN.

Se define como distancia de decisión Dd, la distancia medida a lo largo de la trayectoria que realiza un vehículo para que su conductor, en un entorno viario que puede estar visualmente congestionado, perciba la información proporcionada por la señalización y la existencia de una situación inesperada o difícil de percibir, las reconozca, valore el riesgo que representan, adopte una velocidad y una trayectoria adecuadas y lleve a cabo con seguridad y eficiencia la maniobra necesaria.

La distancia de decisión Dd corresponde a la distancia recorrida en diez segundos (10 s) a la velocidad de proyecto (Vp) del tramo considerado y sus valores mínimos se indican en la Tabla 3.4.

 

TABLA 3.4. DISTANCIA DE DECISIÓN.

 

Siendo:

3.2.6 VISIBILIDAD DE DECISIÓN.

Se considerará como visibilidad de decisión la distancia en línea recta entre la posición de un vehículo en movimiento (definido por el punto de vista del conductor) y el elemento que debe observar el conductor medida sobre el eje de la carretera.

Los carteles laterales, las banderolas y los pórticos de salida inmediata deberán ser percibidos a una distancia mayor que los valores mínimos de la distancia de decisión Dd indicados en la Tabla 3.4. La distancia entre el punto de vista del conductor y el centro geométrico de los carteles de salida inmediata se medirá en línea recta.

La esquina delantera izquierda10 de un vehículo ligero (turismo) situado en la sección característica de un metro (1,00 m) en el centro del carril de aceleración de un ramal de enlace o una vía de giro de un nudo, deberá ser advertida por los conductores de los vehículos que circulan por los carriles básicos de un nudo a la distancia de parada Dp (mínimo) o a la distancia de decisión Dd (deseable) (Figura 3.2).

10 A una altura de cincuenta centímetros (50 cm).

 

FIGURA 3.2. VISIBILIDAD DE DECISIÓN O PARADA RESPECTO DE UN VEHÍCULO SITUADO EN EL INICIO DE UN CARRIL DE ACELERACIÓN.

 

 

Si en la aproximación a un nudo no se dispone de esta visibilidad de decisión se mejorará la percepción de los conductores mediante reducción de la velocidad señalizada en el tramo o mediante la implantación de ayudas a la conducción.

3.2.7 DISTANCIA DE CRUCE.

Se define como distancia de cruce Dc, para un determinado movimiento de cruce (generalmente en carreteras convencionales), la distancia que puede recorrer un vehículo sobre una vía, durante el tiempo que otro emplea en realizar el citado movimiento de cruce atravesando dicha vía total o parcialmente. Se estimará mediante la fórmula:

 

Siendo:

Se considerará como distancia de cruce mínima, la obtenida a partir del valor de la velocidad de proyecto (Vp) de la vía atravesada.

El valor de tc para movimientos de cruce de una vía con prioridad de paso (Figura 3.3) y para movimientos de cruce con maniobra de giro a la izquierda con carriles centrales de almacenamiento y espera, se obtendrá de la fórmula:

 

 

Siendo:

La determinación de las dimensiones y de la aceleración del vehículo que realiza el movimiento de cruce se establecerá a partir de la composición del tráfico, adoptándose como distancia de cruce la más desfavorable.

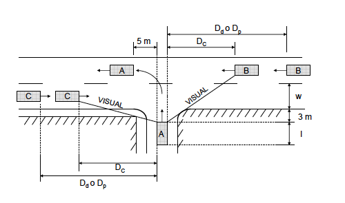
El valor de (tc) para movimientos de cruce del sentido opuesto por maniobra de giro a la izquierda sin carriles centrales de almacenamiento y espera (Figuras 3.4 y 3.5) se obtendrá de la fórmula:

 

Deberá estimarse el tamaño del hueco disponible en las corrientes de tráfico que resulta necesario cruzar, en función de las correspondientes intensidades horarias de proyecto. Cuando el tiempo necesario para realizar el movimiento completo de cruce (tc), sea superior al tiempo correspondiente al tamaño del hueco disponible se podrán admitir para el movimiento de cruce las demoras indicadas en la Tabla 3.5.

 

TABLA 3.5.

 

Si se sobrepasaran los valores de demora indicados en la Tabla 3.5, el movimiento de cruce deberá realizarse de otra forma. En tramos urbanos serán admisibles demoras superiores, debiendo procurarse en todo caso no superar un valor de doscientos cuarenta segundos por vehículo (no > 240 s/veh).

3.2.8 VISIBILIDAD DE CRUCE.

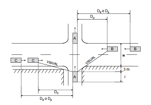
Se considerará como visibilidad de cruce, la distancia que precisa ver el conductor de un vehículo para poder cruzar otra vía que intersecta su trayectoria, medida a lo largo de la carretera atravesada. Estará determinada por las dos condiciones siguientes (Figura 3.3):

Se considerará a todos los efectos que el vehículo que realiza el movimiento de cruce desde la conexión o el acceso, parte del reposo y está situado a una distancia, medida perpendicularmente al borde del carril más próximo de la vía preferente, de tres metros (3,00 m).

Si el movimiento de cruce se realiza mediante una maniobra de giro a la izquierda atravesando el sentido opuesto (Figura 3.4) y no existe carril central de espera, se supondrá que el vehículo que lo realiza se sitúa a una distancia, medida perpendicularmente al borde del carril más próximo de la vía a la que se dirige mediante dicho cruce, de cinco metros (5,00 m). Si existe carril central de espera, la distancia se reduce a tres metros (3,00 m).

Para el cálculo de la visibilidad de cruce, con independencia del vehículo patrón característico que realiza la maniobra A, se tomará como altura del punto de vista del conductor un metro y diez centímetros (1,10 m).

Los vehículos B y C que se aproximan a la intersección, cuando un vehículo A pretende realizar la maniobra de cruce, se considerarán simplificadamente como turismos, teniendo en cuenta que el vehículo A constituye un obstáculo identificable a una altura de cincuenta centímetros (50 cm), debiendo comprobarse la situación inversa en la que el vehículo A es el que se aproxima a la intersección.

Dichos vehículos B y C, además de la obligada visibilidad de parada, deberán disponer de la correspondiente visibilidad de decisión, tanto respecto del vehículo que efectúa el movimiento de cruce, considerando el obstáculo a una altura de cincuenta centímetros (50 cm), como respecto a la cartelería de la señalización de orientación dispuesta en el cruce.

Cuando la intersección corresponda a un acceso particular con una IMD menor que diez (< 10) vehículos/día sin vehículos pesados, y por tanto no tenga uso público, será suficiente que los vehículos que se aproximan dispongan de la obligada visibilidad de parada.

Para realizar un análisis simplificado de la posición en planta se podrán hacer coincidir el punto de vista del observador y el obstáculo identificable, con las aristas de los vehículos centrados en su carril, conforme a lo indicado en las Figuras 3.3, 3.4 y 3.5.

 

FIGURA 3.3. VISIBILIDAD DE CRUCE.

 

 

FIGURA 3.4. VISIBILIDAD DE CRUCE EN MANIOBRAS DE GIRO A LA IZQUIERDA DESDE LA VÍA PRINCIPAL.

 

 

FIGURA 3.5. VISIBILIDAD DE CRUCE EN MANIOBRAS DE GIRO A LA IZQUIERDA DESDE LA VÍA SECUNDARIA.

 

Todas las intersecciones se proyectarán de manera que se obtenga para todos los movimientos de cruce permitidos una visibilidad de cruce mayor que la distancia de cruce mínima correspondiente.

3.2.9 ANÁLISIS DE LAS VISIBILIDADES MEDIANTE SIMULACIÓN.

Se analizarán las visibilidades en los carriles de todas las calzadas mediante una simulación en tres dimensiones al menos para la velocidad de proyecto (Vp) y para la V85 estimada de cada elemento de trazado en la que se incluirán, además de los trazados en planta y alzado y las secciones transversales, todos los elementos que puedan afectar (explanaciones, señalización vertical, sistemas de contención de vehículos, obras de paso, túneles, pantallas antirruido, báculos de iluminación, plantaciones, etc.).

En las calzadas con más de un carril por sentido la simulación de la visibilidad se efectuará, al menos, en los carriles interiores y exteriores.

El análisis deberá permitir en los carriles de todas las calzadas comprobar adicionalmente la correcta visión y legibilidad de la señalización vertical por parte del conductor.